Đặc tính kỹ thuật:
- Thiết kế nhỏ gọn
- Hiển thị giá trị 3 pha trực tiếp (Điện áp, dòng điện)
- Công suất 3 pha:
- Công suất hoạt động
- Công suất phản kháng
- Công suất biểu kiến
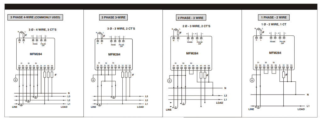
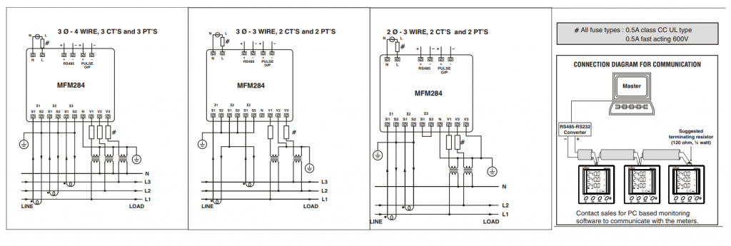
- Có thể dùng CT/PT Sơ cấp / Thứ cấp
- Truyền thông RS485 giao thức Modbus RTU
- %THD lên đến 31 cấp
Đặc điểm hiển thị:
- Hiển thị: màn hình LCD với đèn nền, 3 hàng
- Chữ số: 4 chữ số/ 1 hàng (8 chứ số dưới cùng đễ hiển thị năng lượng)
Đặc tính ngõ vào:
- Cách đấu nối điện:
- 3Ø: 3 dây hoặc 4 dây
- 2Ø: 3 dây
- 1Ø: 2 dây
- Dãy điện áp:
- 11 tới 300VAC (L-N)
- 19 tới 519VAC (L-L)
- Dãy dòng điện: 5A (Min – 11mA, Max – 6A)
- Tần số: 45 đến 65Hz
- Tiêu thụ: Tối đa 5VA
- Đặt lại màn hình: Có thể (cho năng lượng và tối đa nhu cầu)
- Màn hình cuộn: Tự động/cài đặt tay/mặc định
Đặc tính ngõ ra:
- Mạch ngõ ra:
- Phạm vi điện áp: 24VDC
- Dùng tích dòng: tối đa 100mA
- Truyền thông, giao diện và giao thức: RS485 và Modbus RTU
- Địa chỉ truyền thông: 1 đến 255
- Khoảng cách truyền tối đa: 500m
- Tốc độ truyền: 300, 600, 1200, 2400, 4800, 9600, 19200 (ở bps)
- Stop Bít: 1 hoặc 2
- Thời gian đáp ứng: 100ms (tối đa và không phụ thuộc vào tốc độ truyền)
Nguồn cấp: 85 đến 270VAC, 50/60Hz
Thông số có thể cài đặt:
- CT Primary: 1/5A tới 10kA
- CT Secondary: 1/5A
- PT Primary: 100V tới 500kV
- PT Secondary: 100V tới 500VAC
Nhiệt độ hoạt động: -10 tới 55ºC
Độ ẩm: lên tới 85% RH
Sơ đồ đấu nối:



Kích thước sản phẩm:

Instruction Manual: MFM284 Manual

