
Bảng mã sản phẩm:
| POWER FACTOR REGULATOR (PFR140/120/80/60) | |
| Mã sản phẩm | Mô tả sản phẩm |
| PFR80NX | 8 bước, 50/60Hz, 100 ~ 415 VAC hoặc 140 ~ 340VDC |
| PFR120NX | 12 Steps, 50/60Hz, 100 ~ 415 VAC hoặc 140 ~ 340VDC |
| PFR160NX | 16 bước, 50/60Hz, 100 ~ 415 VAC hoặc 140 ~ 340VDC |
| NX-M1 | Module mở rộng cho dòng PFRNX |
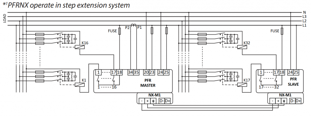
Sơ đồ đấu nối:



*¹ Chỉ áp dụng nếu NX-M1 gắn trên PFRNX
Kích thước:

Manual: PFRNX Manual
Catalog: PFRNX Catalogue
Video hướng dẫn:

