Thông số kỹ thuật:
- Nguồn điều khiển định mức:
- Điện áp định mức: 220~240VAC/380~415VAC
- Giới hạn hoạt động: -15%, +10%
- Tiêu hao: tối đa 10VA
- Tần số định mức: 50Hz hoặc 60Hz
- Dòng điện đầu vào:
- Dòng định mức: 5A
- Giới hạn hoạt động: 0.05A đến 6.5A
- Tiếp điểm đầu ra:
- Số đầu ra: 6/8/12/14 (PFR60/PFR80/PFR120/PFR140)
- Điện áp định mức: 250VAC
- Dòng điện tiếp điểm định mức: 5A
- Tuổi thọ về điện dự kiến: 100,000 lần hoạt động ở dòng điện định mức
- tuổi thọ cơ học: 5 x 10^6 lần hoạt động
- Dòng điện tối đa cho các điểm đấu nối: 12A
Bảng mã sản phẩm:
| POWER FACTOR REGULATOR (PFR140/120/80/60) | |
| Mã sản phẩm | Mô tả sản phẩm |
| PFR60-415-50 | 6 bước, 50 Hz, nguồn điện điều khiển 380-415 V AC |
| PFR80-415-50 | 8 bước, 50 Hz, nguồn điện điều khiển 380-415 V AC |
| PFR120-415-50 | 12 bước, 50 Hz, nguồn điện điều khiển 380-415 V AC |
| PFR140-415-50 | 14 bước, 50 Hz, nguồn điện điều khiển 380-415 V AC |
| PFR60-220-50 | 6 bước, 50 Hz, nguồn điện điều khiển 220-240 V AC |
| PFR80-220-50 | 8 bước, 50 Hz, nguồn điện điều khiển 220-240 V AC |
| PFR120-220-50 | 12 bước, 50 Hz, nguồn điện điều khiển 220-240 V AC |
| PFR140-220-50 | 14 bước, 50 Hz, nguồn điện điều khiển 220-240 V AC |
| PFR60-415- 60 | 6 bước, 50 Hz, nguồn điện điều khiển 380-415 V AC |
| PFR80-415-60 | 8 bước, 60 Hz, nguồn điện điều khiển 380-415 V AC |
| PFR120-415-60 | 12 bước, 60 Hz, nguồn điện điều khiển 380-415 V AC |
| PFR140-415-60 | 14 bước, 60 Hz, nguồn điện điều khiển 380-415 V AC |
| PFR60-220-60 | 6 bước, 60 Hz, nguồn điện điều khiển 220-240 V AC |
| PFR80-220-60 | 8 bước, 60 Hz, nguồn điện điều khiển 220-240 V AC |
| PFR120-220-60 | 12 bước, 60 Hz, nguồn điện điều khiển 220-240 V AC |
| PFR140-220-60 | 14 bước, 60 Hz, nguồn điện điều khiển 220-240 V AC |
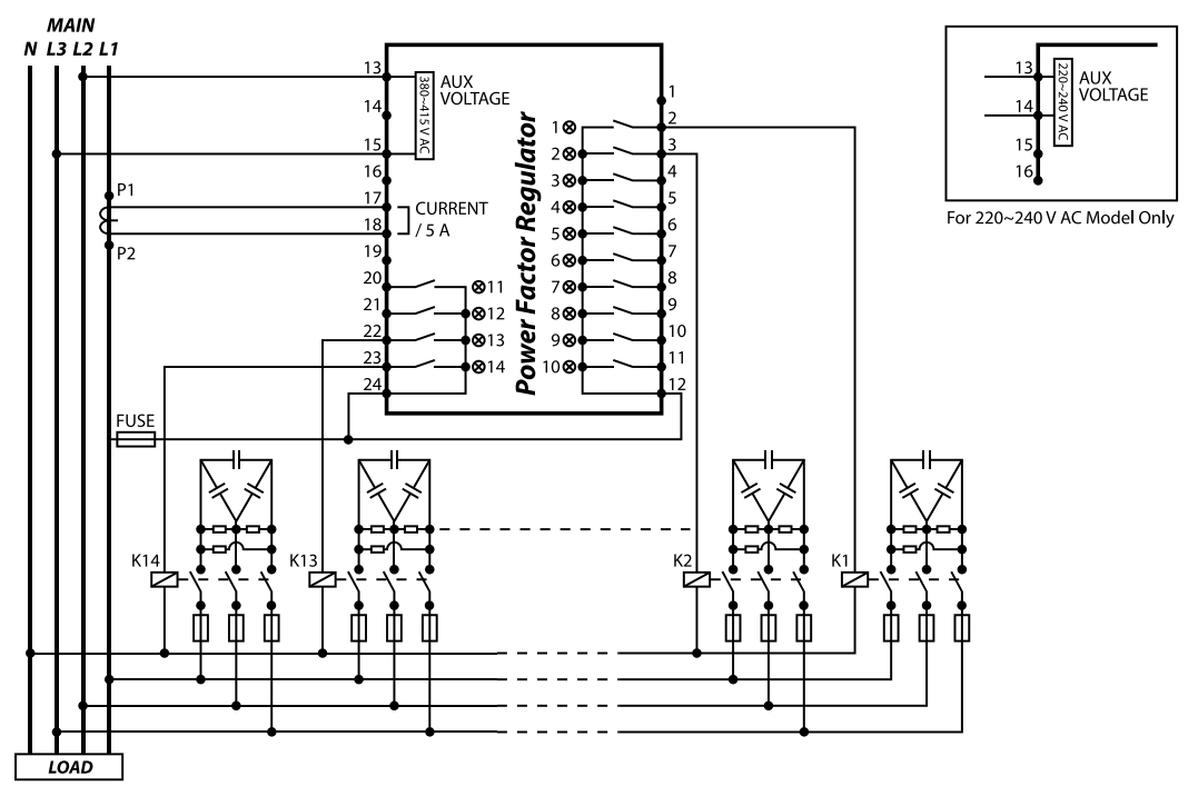
Sơ đầu đấu nối:

Kích thước sản phẩm:

Manual: PFR140/120/80/60 Manual
Catalogue: PFR140/120/80/60 Catalogue

