Biến tần Yaskawa V1000 series: dòng biến tần điều khiển Vector nhỏ gọn
- Type: CIMR-V_ _ A _ _ _ _
- Models:
- 200 V Class, Three-Phase Input: 0.1 to 18.5 kW
- 200 V Class, Single-Phase Input: 0.1 to 3.7 kW
- 400 V Class, Three-Phase Input: 0.2 to 18.5 kW
- Biến tần cho cẩu trục, biến tần cho bơm, biến tần cho quạt, biến tần cho băng tải, biến tần cho máy nén khí, biến tần cho HVAC.
- Nhỏ gọn, tiết kiệm không gian lắp đặt.

Mã sản phẩm:

Bảng công suất và mã sản phẩm:

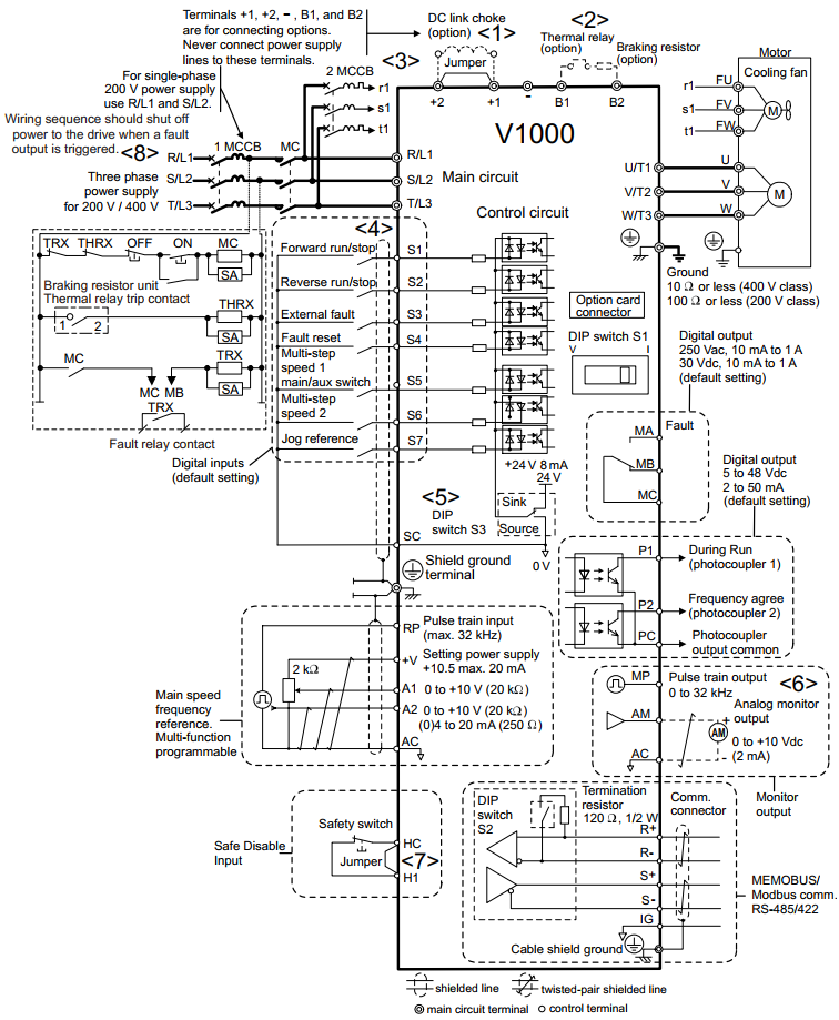
Sơ đồ đấu nối:

Technical Manual: Yaskawa V1000 Series Manual

