Hãng: Shihlin Electric
Dòng sản phẩm: SF3 series, dòng biến tần đa năng, độ bền cao
Ứng dụng: Quạt và bơm, Hệ thống làm lạnh, Máy nén khí, Máy đánh bóng, Máy đóng gói….

Dãy công suất:

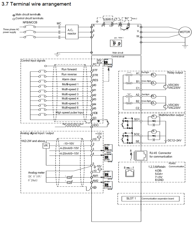
Sơ đồ đấu nối:

Hãng: Shihlin Electric _ Dòng sản phẩm: SF3 series, dòng biến tần đa năng, độ bền cao
Ứng dụng: Quạt và bơm, Hệ thống làm lạnh, Máy nén khí, Máy đánh bóng, Máy đóng gói….
