Hãng: Shihlin Electric
Dòng sản phẩm: SE3 series, hiệu suất cao, nhỏ gọn, hổ trợ điều khiển cho cả động cơ IM và PM.
Ứng dụng: máy công cụ CNC, máy nén khí, máy trộn, máy chế biến gỗ, máy đóng gói, máy ly tâm, máy phun.

Dãy công suất:

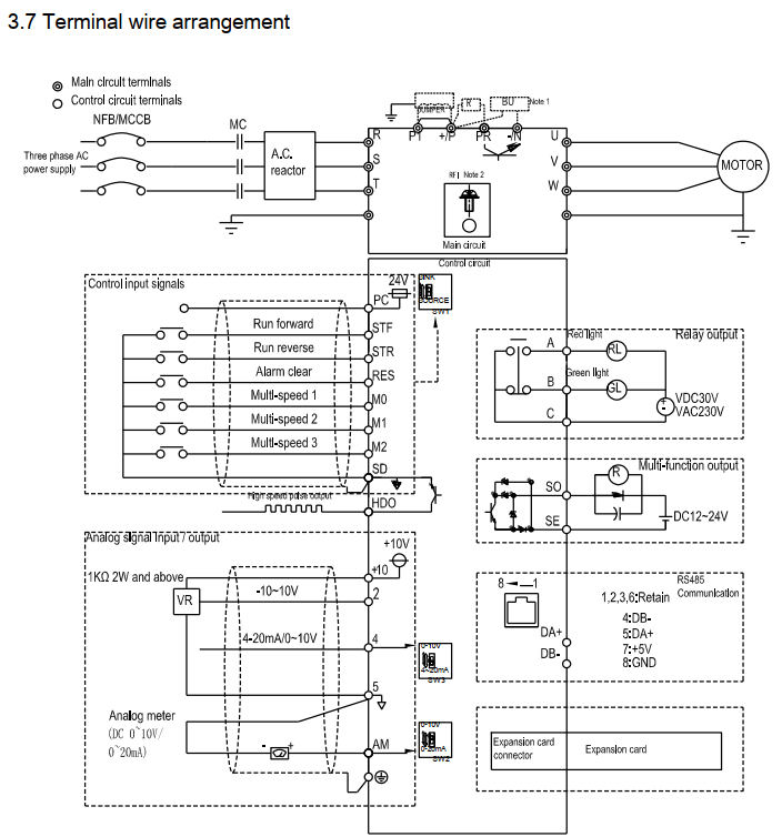
Sơ đồ đấu nối:

User’s manual:…

